產品介紹
咨詢服務熱線:13957717877
產品概述
資料下載
相關產品
相關資訊


為何選擇GSR1-1 DA型單相固態繼電器? |
在需要頻繁開關、低噪聲、高抗干擾或惡劣環境運行的控制系統中,傳統電磁繼電 器易因機械磨損、觸點火花和電磁干擾影響性能。GSR1-1 DA憑借其全固態設計、光 電隔離保護及優異的電氣特性,成為工業自動化、精密溫控、醫療設備等領域的理想選 擇,提升系統穩定性與使用壽命。 |
GSR1-1 DA型單相固態繼電器產品優勢: |
1、驅動簡單: - 寬范圍輸入電壓,控制電流?。ā?5mA),可直接兼容TTL、HTL等邏輯電路。 |
2、安全可靠: - 輸入輸出間2500V高絕緣耐壓,光電隔離控制端與負載端安全隔離。 |
3、堅固耐用: - 環氧樹脂全密封灌裝,無機械觸點,具備優異的防潮、防震、防腐蝕性能。 |
4、安靜抗擾: - 零電壓開啟、零電流關斷技術,切換無火花,大大降低射頻干擾與開關噪聲。 |
GSR1-1 DA型單相固態繼電器產品特點: |
1、寬輸入兼容與小電流驅動: - 支持較寬的直流或脈沖輸入電壓范圍,僅需≤15mA的低控制電流即可驅動,簡化 外圍電路設計。 |
2、零接觸損耗與長壽命設計: - 內部無任何機械運動部件,徹底消除電弧磨損,理論電氣壽命可達上億次操作。 |
3、高速無擾切換: - 采用過零觸發技術,在交流電壓過零點導通、電流過零點關斷,有效抑制浪涌電流 和電磁干擾(EMI)。 |
4、多重集成防護: - 內置RC阻容吸收回路,有效吸收負載端瞬態過壓和沖擊電流;全密封環氧樹脂結構 提供IP等級防護,適應潮濕、震動及腐蝕性環境。 |
5、強電氣隔離: - 光電耦合器實現輸入與輸出間高達2500VAC的電氣隔離,控制電路安全,提升 系統抗干擾能力。 |
GSR1-1 DA型單相固態繼電器產品特點: |
GSR1-1 DA憑借其無火花、長壽命、抗干擾的特性,廣泛應用于對安全性、可靠性 及環境適應性要求較高的領域: |
1、工業自動化: - PLC輸出模塊、電機控制、電磁閥驅動、數控設備接口、包裝機械等。 |
2、精密溫控系統: - 電加熱爐、恒溫箱、熱流道控制器、工業烘箱的溫度調節。 |
3、電力與照明控制: - 交通信號燈、舞臺燈光調光系統、LED驅動、安防設備電源管理。 |
4、醫療與儀器設備: - 醫療分析儀器電源切換、實驗設備溫控模塊、不間斷電源(UPS)系統。 |
5、環境設備: - 化工防爆場所、潮濕多塵環境(如食品機械、注塑機)、需高抗振性的車載/船舶 設備。 |

GSR1-1 DA型單相固態繼電器型號說明: |
|
注: |
散熱:1:不帶散熱; 2:帶散熱 |
相數:1:單相;2:二相; 3:三相 |
額定輸出電流:10A/25A/40A/60A/80A/100A/120A |
控制類型:DA:直流控制交流; AA:交流控制交流;DD:直流控制直流 |
過零型的控制電壓為恒流型:3-32VDC(觸發電流≥5mA) |
隨機型的控制電壓為串電阻型:4-8VDC(觸發電流≥10mA) |
GSR1-1 DA型單相固態繼電器技術參數: |
輸入參數 | |||||||
| 控制電壓范圍 | 3-32VDC | ||||||
| 小控制電流 | 5mA | ||||||
| 控制電流 | 15mA | ||||||
| 接通電壓 | 3.5VDC | ||||||
| 關斷電壓 | 1.5VDC | ||||||
輸出參數 | |||||||
| 輸出電壓范圍 | 24-480VAC | ||||||
| 規格/負載電流 | 10A | 25A | 40A | 60A | 80A | 100A | 120A |
| 峰值電壓 | 800VAC | 800VAC | 800VAC | 1200VAC | 1200VAC | 1200VAC | 1200VAC |
| 絕緣電阻 | 1000MΩ/500VDC | ||||||
| OFF狀態下漏電流 | ≤8mArms | ≤8mArms | ≤8mArms | ≤2mArms | ≤2mArms | ≤2mArms | ≤2mArms |
| On狀態下飽和壓降 | ≤1.5V | ||||||
| 通斷反應延時 | ≤10ms | ||||||
一般特性 | |||||||
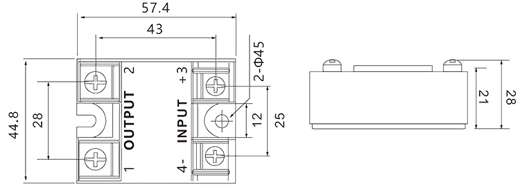
| 尺寸 | 57.4L×44.8W×28H | ||||||
| 重量 | 100g | ||||||
| 輸入輸出間絕緣耐壓 | 2500Vrms | ||||||
| 輸入輸出與外殼間絕緣耐壓 | 4000Vrms | ||||||
| 環境溫度 | -20°~75℃ | ||||||
| 安裝方式 | 螺栓固定 | ||||||
| 相關認證 | CE | ||||||

GSR1-1 DA型單相固態繼電器產品尺寸: |
|
GSR1-1 DA型單相固態繼電器產品接線: |
|
上一個:M 型尼龍電纜防水接頭(連體)
優惠券
我們的微信
13957717877
13957796089