產品介紹
咨詢服務熱線:13957717877
產品概述
資料下載
相關產品


為何選擇GRT8-RL 交替循環型時間繼電器? |
GRT8-RL 通過精準時序控制、寬范圍參數調節及緊湊設計,為雙負載周期性交替場 景提供高效解決方案,廣泛應用于工業自動化、智能照明、農業灌溉等領域,助力提升 設備管理效率與系統穩定性。 |
GRT8-RL 交替循環型時間繼電器產品優勢: |
1、靈活配置:獨立延時參數與負載順序可調,適應多樣化控制邏輯。 |
2、廣泛適用性:超寬延時范圍(0.1秒-100天)及電壓兼容性(12-240V AC/DC)。
|
3、操作便捷:LED狀態指示與端子短接功能簡化運維流程。 |
4、高可靠性:工業級設計保障周期性切換任務長期穩定執行。 |
5、空間優化:緊湊結構化提升控制柜空間利用率。 |
GRT8-RL 交替循環型時間繼電器產品特點: |
1.獨立雙延時控制: 支持獨立的 ON(接通)和 OFF(斷開)延時設定,可為不同負載分別配置差異化 工作時間參數,適應復雜工況需求。 |
2. 寬延時范圍調節: 提供 0.1 秒至 100 天的延時范圍,通過 10 個檔位靈活調節,覆蓋秒級快速響應到 長期輪換場景(如備用系統切換、季節性灌溉)。 |
3. 負載順序可調: 通過短接 S-A1 端子即時切換左右負載的啟動優先級,無需重新接線或編程,簡化 調試維護流程。 |
4. 寬電壓兼容性: 支持 AC/DC 12V-240V 工作電壓,適配全球主流工業電壓標準,降低備件庫存壓 力。 |
5. 狀態可視化管理: 內置 LED 指示燈實時顯示繼電器工作狀態(負載運行/延時階段),便于快速監控 與故障診斷。 |
6. 緊湊型結構設計: 18mm 超薄寬度,支持 35mm DIN 導軌安裝,節省控制柜空間。 |
GRT8-RL 交替循環型時間繼電器產品應用: |
適用于雙負載周期性交替工作的自動化場景: |
1、工業設備輪換: 冷卻水泵、空壓機、潤滑系統等關鍵設備自動切換,均衡磨損并保障連續生產。
|
2、智能照明控制: 景觀燈、廣告燈箱、倉庫分區照明的分組定時切換,優化能耗管理。 |
3、農業自動化: 溫室灌溉閥門/通風設備輪換啟停,實現精準分區資源調度。 |
4、設備循環測試: 自動啟停兩組被測設備,模擬真實工況間歇運行。 |
5、環境調控系統: 除濕/加濕設備、通風機組或冷熱裝置的交替運行控制。 |

GRT8-RL 交替循環型時間繼電器型號說明: |
|
GRT8-RL 交替循環型時間繼電器技術參數: |
型號 | GRT8-RL | |
功能 | 交替循環 | |
電源端子 | A1-A2 | |
額定控制電源電壓 | W 2 4 0 | AC/DC 12-240V 50Hz |
消耗功率 | AC 0.7-3VA/DC 0.5-1.7W | |
額定控制電源電壓 | A220 | AC 220V 50Hz |
消耗功率 | AC max.6VA/1.9W | |
電源允許波動范圍 | -15%;+10% | |
額定沖擊耐受電壓 | 2.5KV | |
額定絕緣電壓 | 250V | |
電源指示燈 | 綠色LED | |
延時范圍 | 0.1秒-100天 | |
設定方式 | 旋鈕 | |
設定精度 | 10% | |
重復精度 | 0.2% | |
溫度波動誤差 | 0.05%/℃ | |
| 輸出觸點參數 | 2組轉換觸點 | |
| ||
小切換功率 | 500mW | |
輸出繼電器指示 | 紅色LED | |
機械壽命 | 1×10? | |
電壽命(阻性負載) | 1×10? | |
復位時間 | 200ms | |
工作環境溫度 | -20℃~+55℃ | |
存儲和運輸環境溫度 | -35℃~+75℃ | |
安裝方式 | 35mm卡軌安裝 | |
防護等級 | IP20 | |
安裝位置 | 任意 | |
安裝海拔高度 | ≤2000米 | |
污染等級 | 2 | |
接線能力 | 1×2.5mm2或2×1.5mm20.4N ·m | |
外形尺寸 | 90mm×18mm×64mm | |
重量 | W240-83g,A220-82g | |
符合標準 | GB/T14048.5,IEC60947-5-1,EN 61812-1 | |

GRT8-RL 交替循環型時間繼電器產品尺寸: |
|
GRT8-RL 交替循環型時間繼電器產品面板: |
|
GRT8-RL 交替循環型時間繼電器時間設定: |
| 旋鈕1: 延時檔位設定,s表示秒,m表示分,h表示小時,d表示天。 |
| 旋鈕2: 延時時間細調,10%~100%可調。 |
延時時間=旋鈕1×旋鈕2。 例1: 需要設定5秒,可將旋鈕1設為10s,旋鈕2設為50%,延時時間=10s×50%=5s。 例2: 需要設定8分,可將旋鈕1設為10m,旋鈕2設為80%,延時時間=10m×80%=8m。 | |

GRT8-RL 交替循環型時間繼電器產品功能: | |
S與A1不短接,交替工作,右負載開始
|
S與A1短接,交替工作,左負載開始 |
|
|
| |
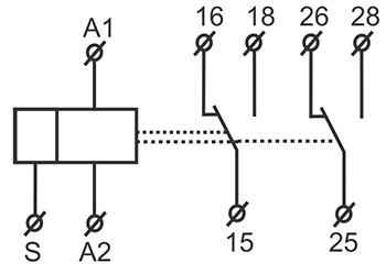
GRT8-RL 交替循環型時間繼電器產品接線: | |
| |
上一個:GRW8系列雙模式溫度控制繼電器
下一個:MC4系列光伏連接器
優惠券
我們的微信
13957717877
13957796089