產品介紹
咨詢服務熱線:13957717877
產品概述
資料下載
相關產品
相關資訊


3V300系列三口二位電磁閥產品特點:
1、鈦合金材質閥體:從模具到材料加工,從零部件到成品組裝嚴格把控每一個細節,
精益求精只為呈現更加的產品。
2、采用足匝線圈:直徑8MM高品質銅線,支持長時間通電,方便拆卸。
3、高精度先導頭:高頻次的氣閥精度,適用各種場景,不易卡頓更靈敏支持每秒5次高
頻,鋁活塞設計不卡頓。
4、可搭配匯流排,對所連接的方向控制閥數進行任意組合或擴充。
3V300系列三口二位電磁閥型號及含義:


3V300系列三口二位電磁閥技術參數:
| 項目/型號 | 3V310-08 | 3V320-08 | 3V310-10 | 3V320-10 |
| 工作介質 | 空氣(經40um濾網過濾) | |||
| 動作方式 | 內部先導頭 | |||
| 接管口徑 | 進氣=出氣=PT1/4 | 進氣=出氣=PT3/8 | ||
| 位置數 | 三位兩通 | |||
| 工作溫度 | -5~60°C(23~140°F) | |||
| 有效截面積 | 25mm2(Cv=1.39) | 30mm2(Cv=1.67) | ||
| 潤滑 | 不需要 | |||
| 使用壓力 | 0.15~0.8Mpa(21~114Psi) | |||
| 耐壓力 | 1.2Mpa(170Psi) | |||
| 耗電量 | AC:6VA DC:3W | |||
| 保護等級 | IP65(DIN40050) | |||
| 接電形式 | 端子式、出線式 | |||
| 本體材質 | 鋁合金 | |||
| 動作頻率 | 5次/秒 | |||
| 耐熱等級 | B級 | |||
| 使用電壓范圍 | -15%~+10% | |||
| 勵磁時間 | 0.05秒以下 | |||
| *注:動作頻率為空載狀態 | ||||
3V300系列三口二位電磁閥流量曲線:


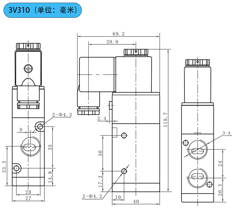
3V300系列三口二位電磁閥產品尺寸:

| 符號/型號 | 3V310-08 3V320-08 | 3V310-10 3V320-10 |
| A | PT1/4 | PT3/8 |
| B | 一 | 2 |

3V300系列三口二位電磁閥產品符號:

上一個:GVAHZ-1P型導軌式數顯表
下一個:3V400系列三位兩通電磁閥
優惠券
我們的微信
13957717877
13957796089