產品介紹
咨詢服務熱線:13957717877
產品概述
資料下載
相關產品
相關資訊


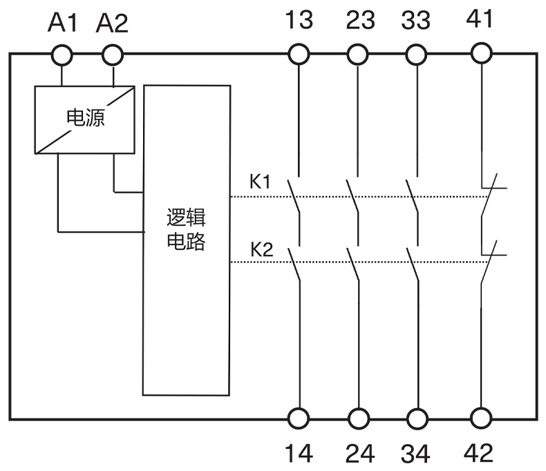
SAFE-SIL型安全耦合繼電器產品特點:
1、3個非延時安全觸點
2、1個非延時輔助觸點
3、安全信號耦合用于電流隔離和功率調整
4、LED狀態指示燈
5、自我監控
6、自動啟動
7、高達PLe/SILCL3/類別4 (EN ISO13849-1/EN 62061/EN 61508)
SAFE-SIL型功能安全繼電器產品功能:


SAFE-SIL型安全耦合繼電器產品應用:

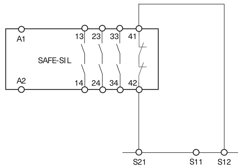
圖1:SAFE-SIL作為故障安全PLC輸出的耦合繼電器
帶故障安全PLC輸出的單通道控制。(類別4,高達PLe/SILCL3,如果安全輸出符合PLe/SILCL3,
并且可以排除 安全輸出和SAFE-SIL的A1之間的線路間短路-請參閱建議)
注意:接通控制線將立即激活安全觸點。A2是開關電壓AI的正確參考電位。
建議:根據ISO 13849-2,必須在低防護等級為IP54的防短路控制柜中進行接線。例如,
EN IS013849-2,表 D4-根據EN 60204-1在電氣安裝空間內布線。
無需監控SAFE-SIL的反饋回路。但是,如果應用需要反饋回路,則可以通過將反饋連接
到輔助觸點41-42來實現。

圖2:SAFE-SIL作為擴展模塊-通過安全繼電器觸點進行控制
接線為基本設備的觸點擴展(類別4,高達PLe/SILCL3,如果安全輸出滿足PLe/SILCL3,并且
可以排除安全輸出 和SAFE-SIL的A1之間的線路短路-請參閱建議) 注意:接通基本設備將會
立即激活安全觸點。
建議:根據EN ISO 13849-2,必須在具有IP54低防護等級的防短路控制柜中進行接線。
例如,EN ISO 13849-2 表D4-根據EN 60204-1在電氣安裝空間內布線。
無需監控SAFE-SIL的反饋回路。但是,如果應用需要反饋回路,則可以通過將反饋連接
到輔助觸點41-42來實現(見圖3或圖4)。

圖3:SAFE-SIL作為擴展模塊-使用手動監控啟動的反饋回路

圖4:SAFE-SL作為擴展模塊-反饋回路,自動啟動
.
SAFE-SIL型安全耦合繼電器技術參數:
| 符合標準 | EN 60204-1;DIN EN ISO 13849-1;EN 62061;EN 50156-1 EN 746-2; IEC 61508第1-2和4-7部分;IEC 61511-1 |
| 工作電壓 | DC 24V+/-10% |
| 功耗 | 通常為2 W |
| 安全觸點 | 3 N/0 |
| 輔助觸點 | 1N/C |
| 開關電壓 | AC 250V |
| 安全觸點的觸點容量 (13-14,23-24,33-34) 6個開關周期/分鐘 | 阻性負載:AC250V/8A,2000VA AC-15:AC250V/3A 阻性負載:DC30V/8A,240W DC-13:DC24V/3A |
| 通過3個觸點的總電流 | 15 A(13-14,23-24,33-34) |
| 輔助觸點的觸點容量 | 阻性負載:AC250 V/2 A,500 VA 阻性負載:DC30 V/2 A,60W |
| 小接觸負載 | 5V,10 mA |
| 外部保險絲 | 10 A gG(NO) |
| 小接觸負載 | 5V,10 mA |
| 外部保險絲 | 10 A gG(NO);6A gG(NC) 6 A gG對于根據EN 50156-1和EN 746-2的應用(參見EN 50156-1;第10.5.5.3.4章) |
| 接通延時 | <30 ms |
| 關斷延時 | <60 ms |
| 恢復時間 | <500 ms |
| 標稱電壓下的線路電阻 | 50Ω |
| 線寬 | 0.14~2.5 mm2 |
| 緊固力矩(min./max) | 0.5 Nm/0.6 Nm |
| 觸點材料 | AgSnO? |
| 機械壽命 | 1x107次 |
| 額定沖擊耐受電壓 | 2.5 kV(控制電壓/觸點) |
| 介電強度(EN 60664-1) | 6kV,繼電器安全回路,控制線和內部邏輯電路之間 |
| 額定絕緣電壓 | 250 V |
| 污染等級/過電壓類別 | 2/3(EN 60664-1) |
| 防護等級 | IP20 |
| 環境溫度范圍 | -15℃~+55℃ |
| 存儲溫度范圍 | -15℃~+85℃ |
| 海拔高度 | ≤2,000m |
| 重量 | 約150 g |
| 根據EN 60715的安裝DIN導軌 | TH35 |
下一個:PIN型高端款匯流排
優惠券
我們的微信
13957717877
13957796089