產品介紹
咨詢服務熱線:13957717877
產品概述
資料下載
相關產品
相關資訊

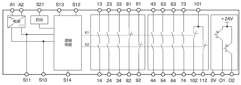
SAFE-MULTI型功能安全繼電器產品特點:
1、7個非延時安全觸點。
2、4個輔助繼電器和2個輔助半導體輸出。
3、連接:
→ 緊急停止按鈕
→ 機械安全開關
→ 非接觸式安全開關
→ 帶OSSD輸出的安全組件
4、控制:單通道或雙通道。
5、外部接觸器或擴展模塊的反饋回路。
6、輸出觸點的循環監控。
7、LED電源和狀態指示燈。
8、自動或手動啟動。
9、短路監控和接地故障監控。
10、高達PLe/SILCL3/類別4 (EN ISO 13849-1/EN 62061/EN 61508)
SAFE-MULTI型功能安全繼電器產品功能:


SAFE-MULTI型功能安全繼電器產品應用:
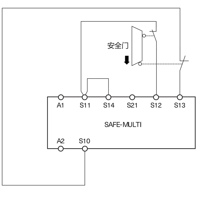
根據應用或EN ISO 13849-1的風險評估結果,設備必須按照圖1-圖10中所示進行接線。
警告:為了激活接地故障監控,必須僅將PE連接到符合EN 60204-1的電源單元。

圖1:帶短路和接地故障監控的雙通道急停(高達PL e/SIL 3,類別4)

圖2:帶接地故障監控的雙通道急停(高達PL d/SIL 2,類別3)

圖3:帶接地故障監控的單通道急停(高達PL c/SIL 1,類別1)

圖4:帶短路和接地故障監控的雙通道安全防護監控(高達PLe/SIL 3,類別 4)

圖5:帶PNP輸出/OSSD輸出的雙通道急停,帶有自己的短路監控( 高達PLe/SIL3,類別4)
先決條件:信號發生器滿足PL e/SIL 3的要求

圖6:連接到安全PLC (高達PL e/SIL 3,類別4)
先決條件:安全PLC輸出滿足要求的安全等級,并且可以排除PLC輸出和SAFE-ESTOP
之間的斷短路(例如,電氣設備內部的接線. – 參見 EN ISO 13849-2,表 D4)。
警告:失去功能安全!
對于根據圖4和圖5的應用,需要注意以下幾點:
信號發生器和SAFE-MULTI的接地電位相同。
必須信號發生器發出的任何接通脈沖(光測試)不會導致安全繼電器的短暫激活,
因此應基本上禁用。

SAFE-MULTI型功能安全繼電器啟動行為:

圖7:監控的手動啟動。監控在閉合安全開關之前,啟動按鈕是否已經打開。
先決條件:電源不得中斷

圖8:自動啟動。閉合S12 和 S13/S14安全開關時的允許延時:
S12在S13/S14之前:300ms
S13/S14在S12之前:無限制
警告:安全觸點將在通電時立即激活
SAFE-MULTI型功能安全繼電器反饋回路:

圖9:監控手動啟動的反饋回路。反饋回路監控接觸器或擴展模塊

圖10:自動啟動反饋回路。反饋回路監控接觸器或擴展模塊

SAFE-MULTI型功能安全繼電器技術參數:
| 符合標準 | EN 60204-1;EN ISO 13849-1;IEC 62061 |
| 工作電壓 | AC/DC24V+/-10% |
| 功耗 | AC 8.5 VA/DC4.5W |
| 額定供電頻率 | 50-60 Hz |
| 安全觸點 | 7個非延時安全觸點(NO) |
| 輔助觸點 | 4個非延時輔助觸點(NC) |
| 輔助晶體管輸出(01,O2) | DC24V/30 mA,過流保護 |
| 開關電壓 | AC 250 V |
| 安全觸點的觸點容量(13-14,..,73-74) 6個開關周期/分鐘 | 阻性負載:AC250V/8A,2000VA AC-15:AC250V/3A 阻性負載:DC30V/8A,240W DC-13:DC24V/3A |
| 在高達Ta=40℃的溫度下 通過7個觸點的總電流 | 35A,設備之間的間距為10mm時; 20A,設備之間無間距時 |
| 輔助觸點的觸點容量 | 阻性負載:AC250 V/8 A,2000 VA 阻性負載:DC40 V/8 A,320W |
| 小接觸負載 | 5V,10 mA |
| 外部保險絲 | 10 A gG(NO);6 A gG(NC) |
| 接通延時 | <30 ms |
| 分斷延時 | 通過S12或S13/S14<20 ms |
| 恢復時間 | <500ms |
| 控制線的長度 | 2x1000 m@1.5 mm2,2x500 m@0.75 mm2 |
| 線寬 | 0.14~2.5 mm2 |
| 緊固力矩(min./max.) | 0.5 Nm/0.6 Nm |
| 觸點材料 | AgSnO? |
| 機械壽命 | 1x107次 |
| 額定沖擊耐受電壓,泄漏路徑/氣隙 | 4 kV(DINVDE0110-1) |
| 額定絕緣電壓 | 250V |
| 污染等級/過電壓類別 | 2/3(DIN VDE 0110-0) |
| 防護等級 | IP20 |
| 環境溫度范圍 | -15℃~+40℃ |
| 存儲溫度范圍 | -15℃~+85℃ |
| 海拔高度 | ≤2,000m |
| 重量 | 約350g |
| 根據EN 60715的安裝DIN導軌 | TH35 |
上一個:PIN型高端款匯流排
優惠券
我們的微信
13957717877
13957796089