產品介紹
咨詢服務熱線:13957717877
產品概述
資料下載
相關產品
相關資訊


GDCR7-250型直流接觸繼電器產品特點:
●控制負載能力強:額定工作電壓12VDC~1000VDC,額定工作電流為250A;
●安全:用環氧樹脂全密封式結構,觸點和線圈均不會氧化,產品性能不受外部環境影
響,無電弧外噴、可在易爆及有害環境下工作;
●可靠:采用直流高壓無性設計,分斷能力更高更可靠,安裝/接線方便可靠;
●節能:采用PWM控制技術,對控制線圈功率和動作特性進行有效控制,更加節能;
●環保:零部件均符合新歐盟RoHS環保要求。
GDCR7-250型直流接觸繼電器產品型號:


GDCR7-250型直流接觸繼電器觸點參數:
| 主觸點 | 額定工作電流le | 250A |
| 額定工作電壓Ue | 12~1000 VDC | |
| 小負載 | 1A12VDC | |
| 主觸點形式 | 1SH(雙動合觸點) | |
| 標稱主回路電阻 | 0.2mQ(@250A) | |
| 主觸點安裝方式 | M8外螺紋 | |
| 接線安裝扭矩 | 10~12N ·m | |
| 切換電流 (一次以上) | 2500A320VDC | |
| 輔助觸點 | 電流 | 30VDC 2A;125VAC 3A |
| 小電流 | 8VDC 100mA | |
| 接觸電阻 | <0.15Ω |
GDCR7-250型直流接觸繼電器線圈參數:
| 額定電壓Us | 12/24VDC |
| 工作電壓范圍 | 8~36 VDC |
| 吸合電壓 | 7~8 VDC |
| 釋放電壓 | 5~6 VDC |
| 線圈功率 | 保持時:2W |
| 啟動電流 | 3A(0.1s)(@12v) |
| 平均保持電流 | 0.17A@12V; 0.085A@24V |
| 吸合時間(@Us) | ≤45ms |
| 釋放時間(@Us) | ≤10ms |
| 彈跳時間(@Us) | ≤5ms |
GDCR7-250型直流接觸繼電器電氣特性:
| 介電耐壓 | DC3110V,AC2200V |
| 絕緣電阻 | ≥1000MQ@1000VDC |
| 額定絕緣電壓Ui | 1000V |
GDCR7-250型直流接觸繼電器環境特性:
| 抗沖擊 | 穩定性測試 | 196m/s2(20G) |
| 強度性測試 | 490m/s2(50G) | |
| 抗振動 | 10~2000Hz,20G | |
| 工作環境溫度 | -40℃~+85℃ | |
| 工作環境濕度 | 5%~85%RH | |
| 防護等級 | IP67(內部空間) | |
| 適用海拔高度 | ≤4000m | |
GDCR7-250型直流接觸繼電器壽命特性:
| 機械壽命 | 300,000次 | |
| 阻性負載壽命(L/R≤1ms) | 見壽命曲線圖 | |
| 容性負載壽命 (RC=1ms,僅接通) | 450A | 50,000次 |
| 備注:容性負載說明,當接觸器用于充放電主回路控制時,應增加預充電路;若無預充電路,在接觸器閉合的瞬間,將產生瞬態大電流,可能會使接觸器粘連。 | ||
GDCR7-250型直流接觸繼電器其他特性:
| 重量 | 約425g;帶輔助約430g |
| 外接導線橫截面積 | ≥75mm2 |

GDCR7-250型直流接觸繼電器 短時過載能力曲線圖:

GDCR7-250型直流接觸繼電器 阻性負載切斷壽命曲線圖:


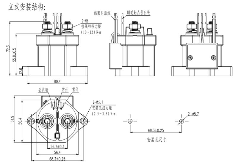
GDCR7-250型直流接觸繼電器 立式安裝結構:

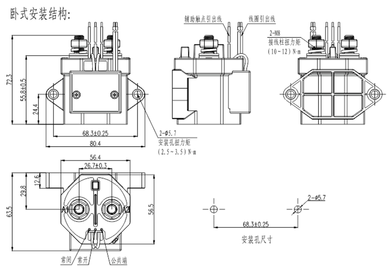
GDCR7-250型直流接觸繼電器 臥式安裝結構:

GDCR7-250型直流接觸繼電器 安裝備注說明:
引出線長度:300mm±20mm;
產品未注公差尺寸,當≤10mm時,公差為±0.3mm;
當尺寸在(10~50)mm時,公差為±0.5mm;
當尺寸≥50mm時,公差為±0.8mm。
優惠券
我們的微信
13957717877
13957796089