產品介紹
咨詢服務熱線:13957717877
產品概述
資料下載
相關產品


為何選擇GRT8-2T雙延時型時間繼電器? |
GRT8-2T雙延時型時間繼電器憑借其的雙通道獨立控制、超寬時空設定范圍、 卓越的兼容性和緊湊設計,成為解決復雜時序控制、抑制啟動沖擊、優化系統成本的 理想選擇。無論是提升重載設備安全性,還是實現自動化流程的精益控制,它都能提 供可靠、靈活且經濟的解決方案,是現代工業控制系統中不可或缺的智能時間管理核 心。 |
GRT8-2T雙延時型時間繼電器產品特點: |
1. 雙通道獨立延時控制: 集成兩組獨立的通電延時計時器,可分別設定不同的延時參數,滿足復雜時 序邏輯需求。 |
2. 超寬延時范圍,精準可調: 提供從0.1秒(瞬間響應)至10天(240小時,超長周期)的廣闊延時設定范圍, 并通過10個精細檔位實現精準調節,覆蓋絕大多數工業控制場景。 |
3. 超寬工作電壓兼容性: 支持AC/DC 12V至240V寬范圍電壓輸入,無需額外電源轉換模塊,即可無縫適 配全球主流工業供電系統,安裝靈活性強。 |
4. 運行狀態直觀可視: 配備高亮LED指示燈,實時清晰顯示繼電器工作狀態(計時中/輸出動作),便 于現場快速監控與故障排查。 |
5. 緊湊型設計,節省空間: 寬度僅為18mm的超薄機身,采用標準35mm卡軌安裝方式,節省控制柜空 間,尤其適用于高密度安裝環境。 |
GRT8-2T雙延時型時間繼電器產品應用: |
1. 重載設備分時啟動與電流峰值抑制: 針對大型電機、變壓器或大功率負載啟動時產生的巨大浪涌電流,利用兩組獨立 延時功能,實現設備的分階段、錯時投入(如先啟動輔助設備,延時后再啟動主電機 ),有效分散啟動電流峰值,保護主回路開關、接觸器和電網免受沖擊,提升系統穩 定性與壽命。 |
2. 高效替代多繼電器,優化成本結構: 在需要多個獨立延時控制的場合(如順序啟停、多步工序間隔、設備保護連鎖), 單臺GRT8-2T即可完美替代兩臺傳統單延時繼電器,節省設備采購成本、安裝空 間(減少40%以上占位)及后期維護復雜度。 |
3. 復雜時序自動化控制: 廣泛應用于自動化生產線工序間隔控制、包裝機械動作序列、中央空調機組啟停管 理、照明系統時序開關等需要精確多段延時的場景。 |
4. 設備保護與安全聯鎖: 用于電動機星三角啟動轉換延時、備用電源自動切換(ATS)延時、設備冷卻延時斷 電、安全門互鎖延時復位等關鍵保護環節。 |
GRT8-2T雙延時型時間繼電器產品優勢: |
1、一機雙控,高效靈活: 雙獨立延時通道提供強大的時序編排能力,簡化控制邏輯。 |
2、寬適配,應用無憂: 超寬延時范圍(0.1s-10天) + 寬電壓(12-240V AC/DC),適應性強。 |
3、緊湊可靠,節省空間: 18mm超薄設計,工業級品質,卡軌安裝便捷穩固。 |
4、狀態可視,維護便捷: LED狀態指示一目了然,降低運維難度。 |
5、降本增效: 替代多臺單延時繼電器,降低設備成本、安裝空間和接線工作量。 |

GRT8-2T雙延時型時間繼電器型號說明: |

GRT8-2T雙延時型時間繼電器產品尺寸: |
| 型號 | GRT8-2T | |
| 功能 | 雙設定通電延時 | |
| 電源端子 | A1-A2 | |
| 額定控制電源電壓 | W 2 4 0 | AC/DC 12-240V(50-60Hz) |
| 消耗功率 | AC0.09-3VA/DC0.05-1.7W | |
| 額定控制電源電壓 | A2 20 | AC220V(50-60Hz) |
| 消耗功率 | ACmax.6VA/1.9W | |
| 電源允許波動范圍 | -15%;+10% | |
| 電源指示燈 | 綠色LED | |
| 延時范圍 | 0.1秒-10天,常開,常閉 | |
| 設定方式 | 旋鈕 | |
| 設定精度 | 10% | |
| 重復精度 | 0.2% | |
| 溫度波動誤差 | 0.05%/°℃,at=20℃(0.05%°F,at=68°F) | |
| 輸出觸點參數 | 2組轉換觸點 | |
| 16A/AC1 | ||
| 250VAC/24VDC | ||
| 小切換功率 | 500mW | |
| 輸出繼電器指示 | 紅色LED | |
| 機械壽命 | 1×10? | |
| 電壽命(阻性負載) | 1×10? | |
| 復位時間 | 200ms | |
| 工作環境溫度 | -20℃~+55℃ | |
| 存儲和運輸環境溫度 | -35℃~+75℃ | |
| 安裝方式 | 35mm卡軌安裝 | |
| 防護等級 | IP20 | |
| 安裝位置 | 任意 | |
| 安裝海拔高度 | ≤2000米 | |
| 污染等級 | 2 | |
| 接線能力 | 1×2.5mm2或2×1.5mm20.4Nm | |
| 外形尺寸 | 90mm×18mm×64mm | |
| 重量 | W240-82g,A220-82g | |
| 符合標準 | GB/T 14048.5,IEC60947-5-1,EN61812-1 | |

GRT8-2T雙延時型時間繼電器產品功能: |

當繼電器Us得電,繼電器開始延時,延時t1后輸出觸點15-16斷開15-18閉合,延時 t2后輸出觸點25-26斷開25-28閉合,繼電器Us斷電后,兩組輸出觸點同時斷開。S端子 為復位端子,任何時刻接通A1-S,繼電器復位。 |
GRT8-2T雙延時型時間繼電器產品功能: |

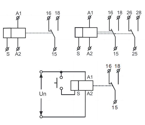
GRT8-2T雙延時型時間繼電器產品接線: |

優惠券
我們的微信
13957717877
13957796089