產品介紹
咨詢服務熱線:13957717877
產品概述
資料下載
相關產品


為何選擇GRT8-ST星三角啟動型時間繼電器? |
GRT8-ST星三角啟動型時間繼電器憑借其精準的雙時間控制、超寬電壓適應能力、 緊湊的結構設計和清晰的狀態指示,成為工業電機控制領域可靠的選擇。它簡化了星 三角啟動回路的配置,提升了系統的可靠性與安全性,是工程師實現設備高效平穩運 行的實用工具。 |
GRT8-ST星三角啟動型時間繼電器產品優勢: |
1、高可靠性: 工業級設計,在嚴苛環境下穩定運行。 |
2、操作便捷: 雙旋鈕獨立調節t1和t2時間,設定直觀、無需工具。 |
3、節省空間: 超薄體積化利用電控柜空間。 |
4、安裝靈活: 標準卡軌安裝,集成快速高效。 |
5、維護簡便: LED狀態指示一目了然,降低維護難度。 |
6、經濟高效: 有效降低啟動電流沖擊,減少設備損耗和潛在停機成本,提升系統整體運行經濟性 |
GRT8-ST星三角啟動型時間繼電器產品特點: |
1、雙時序精確控制: - 啟動延時 (t1): 0.1秒至10分鐘寬范圍可調(旋鈕直觀設定),精確設定電機在星形接法下的降壓 啟動時間,電機平穩加速至接近額定轉速。 - 轉換時間 (t2): 0.1秒至1秒精細可調(旋鈕設定),嚴格控制星形到三角形轉換的動作間隔,避 免相間短路風險,保障切換過程快速、安全、無沖擊。 |
2、寬廣的電壓適應范圍: - 提供AC/DC 12V至240V超寬工作電壓規格可選,能夠適應全球不同工業現場復 雜多變的供電環境(如PLC輸出、控制變壓器、直流系統等),有助于減少備件種類。 |
3、清晰的狀態指示: 內置高亮LED狀態指示燈,實時顯示繼電器的工作階段(如啟動延時、運行中、故 障狀態等),便于現場快速診斷與維護。 |
4、緊湊型設計: 采用超薄機身設計,寬度僅18mm,支持標準35mm DIN卡軌安裝,充分節省控 制柜內空間,適用于空間要求較高的緊湊型電控箱。 |
GRT8-ST星三角啟動型時間繼電器產品特點: |
GRT8-ST繼電器是各類大功率三相異步電動機啟動控制的重要時序管理單元,廣 泛應用于需要降低啟動電流、減輕電網沖擊、保護電機及傳動設備的場景: |
1、動力設備啟動控制: 精準控制水泵、風機、空氣壓縮機、大型輸送帶、破碎機、攪拌機等重載設備的 星三角啟動過程。 |
2、工業自動化產線: 集成于自動化控制系統(如PLC、DCS),為生產線上的大型電機提供可靠、順 序化的啟動邏輯,流程順暢和設備安全。 |
3、建筑機電系統: 應用于中央空調主機、消防水泵、電梯驅動系統等建筑關鍵設施,實現平穩啟動, 保護供電網絡。 |
4、節能與設備保護: 通過有效的降壓啟動,將啟動電流降低至全壓啟動的1/3左右(約50%-60%),有 效減少對電網的沖擊,有助于延長電機、接觸器及供電線路的使用壽命。 |

GRT8-ST星三角啟動型時間繼電器型號說明: |
|
GRT8-ST星三角啟動型時間繼電器技術參數: |
型號 | GRT8-ST | |
功能 | 星三角啟動延時 | |
電源端子 | A1-A2 | |
額定控制電源電壓 | W 2 4 0 | AC/DC 12-240V 50Hz |
消耗功率 | AC 0.3-2VA/DC 0.1-1.2W | |
| 額定控制電源電壓 | A A 2 3 2 8 0 0 | AC 220V/AC380V 50Hz |
| 消耗功率 | AC max.6VA/1.3W | |
額定沖擊耐受電壓 | 2.5KV | |
額定絕緣電壓 | 250V | |
電源允許波動范圍 | -15%;+10% | |
電源指示燈 | 綠色LED | |
延時范圍 | 啟動延時:0.1秒-10分,轉換延時:0.1s-1s | |
設定方式 | 旋鈕 | |
設定精度 | 10% | |
重復精度 | 0.2% | |
溫度波動誤差 | 0.05%/℃ | |
輸出繼電器組數 | 2組轉換觸點 | |
輸出繼電器參數 | : Ith:16A;AC-15:Ue/le:250V/5A | |
小切換功率 | 500mW | |
輸出繼電器指示 | 紅色LED | |
機械壽命 | 1×10? | |
電壽命(阻性負載) | 1×10? | |
復位時間 | 200ms | |
工作環境溫度 | -20℃~+55℃ | |
存儲和運輸環境溫度 | -35℃~+75℃ | |
安裝方式 | 35mm卡軌安裝 | |
防護等級 | IP20 | |
安裝位置 | 任意 | |
安裝海拔高度 | ≤2000米 | |
污染等級 | 2 | |
接線能力 | 1×2.5mm2或2×1.5mm20.4N ·m | |
外形尺寸 | 90mm×18mm×64mm | |
重量 | W240-82g,A220-80g | |
符合標準 | GB/T14048.5,IEC60947-5-1,EN 61812-1 | |

GRT8-ST星三角啟動型時間繼電器產品尺寸: |
|
GRT8-ST星三角啟動型時間繼電器產品面板: |
|
GRT8-ST星三角啟動型時間繼電器時間設定: |
| 旋鈕1:延時檔位設定,s表示秒,m表示分。 |
| 旋鈕2:延時時間細調,10%~100%可調。 |
延時時間=旋鈕1×旋鈕2。 例1: 需要設定5秒,可將旋鈕1設為10s,旋鈕2設為50%,延時時間=10s×50%=5s。 例2: 需要設定8分,可將旋鈕1設為10m,旋鈕2設為80%,延時時間=10m×80%=8m。
| |

GRT8-ST星三角啟動型時間繼電器產品功能: | |
| 當繼電器Us得電,繼電器輸出觸點15-18閉 合,并開始延時t1,延時t1后輸出觸點15- 18斷開,再延時t2后輸出觸點25-28閉合。 |
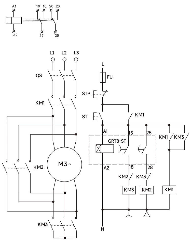
GRT8-ST星三角啟動型時間繼電器產品接線: | |
| |
上一個:GRT8-2T雙延時時間繼電器
下一個:GRT8-S循環延時型時間繼電器
優惠券
我們的微信
13957717877
13957796089